CT、CT-C系列熱風循環烘箱
- CT、CT-C系列熱風循環烘箱產品概述 熱風循環烘箱,經過多次升級換代,達到了國內外先進水平;CT系列為第一代產品,平均熱效率達30%左右,采用離心式風機
- 咨詢熱線:0519-88812792
CT、CT-C系列熱風循環烘箱 | ||
![]() ![]() | ||
|
















通用型干燥設備,適應面較寬,廣泛適用于制藥、化工、食品、輕工、重工等行業物料及產品的加熱固化、干燥脫水。如:原料藥、生藥、中藥飲片、粉劑、顆粒、沖劑、大小蜜丸包裝瓶、顏料、染料、脫水蔬菜、瓜果干、香腸、塑料樹脂、電器原件、烘漆等。
一、加熱熱源有蒸氣、電、遠紅外、電蒸汽兩用,供用戶選擇。
二、使用溫度,蒸汽加熱50-140℃,最高150℃。
三、用電、遠紅外溫度50-500℃。
四、備有自控系統和電腦控制系統供用戶選擇。
五、常用蒸汽壓力0.2-0.8Mpa(2-8kg/cm2)。
六、配用電加熱,按Ⅰ型計算15kw,實用5-8w/h。
七、特殊要求在定貨時說明。
八、非標烘箱價格面議。
九、使用溫度大于140℃或小于60℃,要在訂貨時注明。
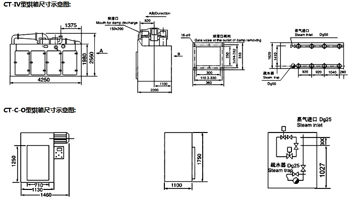
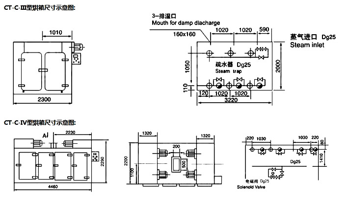
十、本廠出廠烘車、烘盤尺寸統一,可以互換。
十一、烘盤尺寸:450×640×45(mm)
![]() |
![]() |
![]() |
![]() |
![]() |
非標烘箱:
工作室尺寸:按用戶要求的任意尺寸設計;
溫度參數:按用戶所要求的溫度范圍、溫度均勻性等技術指標設計;
結構類型:整體式、拼裝式;
加熱類型:電加熱、燃油、燃氣加熱、蒸汽加熱、混合加熱;
熱風循環方式:根據所烘產品不同的擺放,選擇擇合理的熱風循環方式,(如下側鼓風單循環、頂鼓風雙循環、鼓風前后大循環等等;
開門方式:前開門、前后開門、頂開門、升降門;
工件輸送方式:臺車式、輥排式、板鏈式、網帶式、推桿式;
臺車驅動方式:人力式、鈍齒輪銷齒條驅動、牽引小車驅動、卷楊機驅動、輥排驅動;
控溫方式:位式數顯儀表控溫、時間比例溫控儀表控溫、國產智能(程序)溫控儀表控溫進口智能(程序)溫控儀表控溫。
熱風循環烘箱配件
空氣交換器:
可配套各種干燥設備使用,規格各種各樣,使用材料有:鋁合金、不銹鋼、A3鋼表面涂鋅、鋼鋁復合、鋼制、鋼管鋁繞片。另外,散熱器可單獨用于室內與庫房的加熱除濕,我廠可為用戶設計制作。
定型烘車:
材質:不銹鋼、A3鋼

定型壓制烘盤:
材質:不銹鋼、防銹鋁合金。


技術參數
行業標準型號 | 型號規格 | 每次干燥量 (kg/批) | 配用功率 (kw) | 耗用蒸汽 (kg/h) | 散熱器面積 (m2) | 風量 (m3/h) | 上下溫差 (℃) | 配用烘盤 (只) | 外形尺寸 寬×深×高(mm) | 配套烘車 |
RXH-4-B | CT-Ⅰ | 100 | 1.1 | 20 | 20 | 3400 | ±2 | 48 | 2430×1200×2375 | 2 |
RXH-27-B | CT-Ⅱ | 200 | 1.1 | 40 | 40 | 5200 | ±2 | 96 | 2430×2200×2433 | 4 |
RXH-41-B | CT-Ⅲ | 300 | 2.2 | 60 | 80 | 9800 | ±2 | 144 | 3430×2200×2620 | 6 |
RXH-54-B | CT-Ⅳ | 400 | 2.2 | 80 | 100 | 9800 | ±2 | 192 | 4380×2200×2620 | 8 |
RXH-5-C | CT-C-O | 25 | 0.45 | 5 | 5 | 3400 | ±2 | 16 | 1550×1000×2044 | 0 |
RXH-7-C | CT-C-IA | 50 | 0.45 | 10 | 10 | 3450 | ±2 | 24 | 1400×1200×2000 | 1 |
RXH-14-C | CT-C-I | 100 | 0.45 | 18 | 20 | 3450 | ±2 | 48 | 2300×1200×2000 | 2 |
RXH-27-C | CT-C-Ⅱ | 200 | 0.9 | 36 | 40 | 6900 | ±2 | 96 | 2300×2200×2000 | 4 |
RXH-41-C | CT-C-Ⅲ | 300 | 1.35 | 54 | 80 | 10350 | ±2 | 144 | 2300×3220×2000 | 6 |
RXH-54-C | CT-C-Ⅳ | 400 | 1.8 | 72 | 100 | 13800 | ±2 | 192 | 4460×2200×2290 | 8 |
RXH-18-C | CT-C-IB | 120 | 0.9 | 20 | 25 | 6900 | ±1 | 48 | 1460×2160×2250 | 2 |
RXH-41-C | CT-C-IS | 專用烘盤 | 2.2 | 60 | 100 | 6900 | ±2 | 1140×6160×3240 | 6 | |
RXH-25-A | 高效高溫遠紅外滅菌烘箱 | 1200×1000×1600 | 1 | |||||||